Buod ng Produkto
| RVE35 Series Solar Pump VFD | | |
| | DC /AC input | |
| | Pinong disenyo | |
| | MPPT | |
| Parametric | ||
| Modelo | RVE35-T3-280G ~ RVE35-T3-315G |
| Boltahe | 350VDC hanggang 800/900VDC input, 3 pH 380VAC hanggang 440VAC input | |
| P Rated (KW) | 280/315 | |
| Na -rate na kasalukuyang (a) | 520/600/680 | |
| MPPT VMP/VOC | 540/660 | |
| Mga Dimensyon (mm) | 1035*620*400 | |
Mga background ng application
| Sa mga nagdaang taon, sa pagtaas ng kalubhaan ng pandaigdigang "problema sa pagkain" at "problema sa enerhiya" na mga bomba ng tubig ng solar ay unti -unting na -hailed bilang epektibong mga produktong pagsasama ng industriya upang malutas ang problema ng pagtaas ng output ng efective na nilinang na lupa at pagpapalit ng enerhiya ng fossil na may malinis na enerhiya. Bilang isang resulta, ang isang umuusbong na modelo ng pang -ekonomiya ay ipinanganak kung saan ang industriya ng solar ay binuo kasama ang mga tradisyunal na industriya tulad ng agrikultura na konserbasyon ng tubig, kontrol sa disyerto, paggamit ng domestic water, at urban waterscape. |
Mga Tampok ng Produkto
• Pinakamataas na Pagsubaybay sa Power Point (MPPT) na may mabilis na bilis ng pagtugon at matatag na operasyon
• Proteksyon ng Dry Run (sa ilalim ng pag -load)
• Motor maximum na kasalukuyang proteksyon
• Proteksyon ng lakas ng pag -input
• Mababang proteksyon ng dalas ng paghinto
• Ang curve ng pagganap ng PQ (Power/Flow) ay nagbibigay -daan sa pagkalkula ng daloy ng output mula sa bomba
• Digital na kontrol para sa ganap na awtomatikong operasyon, pag -iimbak ng data at mga pag -andar ng proteksyon
• Intelligent Power Module (IPM) para sa pangunahing circuit
• LED display operating panel at suportahan ang remote control
• Magagamit ang Dual Mode AC at DC Power Supply Input
• Mababang sensor ng pagsisiyasat ng tubig, at pag -andar ng antas ng kontrol sa tubig
• nakapaligid na temperatura para sa paggamit: -10 hanggang 50˚C.
| Pinong disenyo Ang lugar ng pag -install ay nabawasan ng 50% Dami na nabawasan ng 30% | |
| | Ang buong-awtomatikong tatlong-proof na patong na patong na patong ay ginagamit upang palalimin ang proteksiyon na layer ng circuit board, na epektibong pumipigil sa pinsala ng circuit board na sanhi ng alikabok ng hangin, kinakaing unti-unting gas at mahalumigmig na hangin. |
| | Gumawa ng full-automatic na kagamitan sa pagtuklas upang masubukan ang iba't ibang mga tagapagpahiwatig ng elektrikal at mga pag-andar ng proteksyon ng mga produkto sa ilalim ng na-rate na pag-load. |
| | Ang lahat ng mga fnished na produkto ay may edad sa ilalim ng pag -load para sa 48 oras sa isang mataas na temperatura ng 60 degree, at pagkatapos ay ang lahat ng mga de -koryenteng tagapagpahiwatig ay nasubok sa ilalim ng pag -load, upang mabawasan ang rate ng pagkabigo ng produkto. |
Model Nomenclature $
Pangkalahatang Uri ng S2 Series:
VMP 310VDC o 220VAC input, 1/3 phase 0-220VAC output
| Modeloo | Na -rate na kasalukuyang (a) | Output boltahe (VAC) | Naaangkop para sa Power (KW) Pump | Panlabas ng laki ng drive H*w*d (mm) | MPPT VMP/VOC |
| RVE35-S2-0R7G | 4 | 0-220 | 0.75 | 187*86*152 | 310/372 |
| RVE35-S2-1R5G | 7 | 0-220 | 1.5 | ||
| RVE35-S2-2R2G | 10 | 0-220 | 2.2 | ||
| RVE35-S2-3G | 13 | 0-220 | 3 | 265*105*164 | |
| RVE35-S2-4G | 16 | 0-220 | 4 |
Pangkalahatang uri ng serye ng T3:
VMP540 hanggang 650VDC o 380 hanggang 460VAC input, 3 phase 0-380/460VAC output
| Modeloo | Na -rate na kasalukuyang (a) | Output boltahe (VAC) | Naaangkop para sa Power (KW) Pump | Panlabas ng laki ng drive H*w*d (mm) | MPPT VMP/VOC |
| RVE35-T3-0R7GB | 2.5/3.7 | 0-380/440 | 0.75 | 187*86*152 | 540/660 |
| RVE35-T3-1R5GB | 3.7/5 | 0-380/440 | 1.5 | ||
| RVE35-T3-2R2GB | 5/10 | 0-380/440 | 2.2 | ||
| RVE35-T3-4GB | 10/13 | 0-380/440 | 4.0 | ||
| RVE35-T3-5R5GB | 13/16 | 0-380/440 | 5.5 | 265*105*164 | |
| RVE35-T3-7R5GB (Plastic Case) | 16/25 | 0-380/440 | 7.5 | ||
| RVE35-T3-7R5GB (Iron Case) | 16/25 | 0-380/440 | 7.5 | 333*150*216 | |
| RVE35-T3-11GB | 25/32 | 0-380/440 | 11 | ||
| RVE35-T3-15GB | 32/38 | 0-380/440 | 15 | ||
| RVE35-T3-18GB | 38/45 | 0-380/440 | 18 | 383*180*228 | |
| RVE35-T3-22GB | 45/60 | 0-380/440 | 22 | ||
| RVE35-T3-30GB | 60/75 | 0-380/440 | 30 | 435*175*265 | |
| RVE35-T3-37GB | 75/90 | 0-380/440 | 37 | ||
| RVE35-T3-45G | 90/110 | 0-380/440 | 45 | 670*265*358 | |
| RVE35-T3-55G | 110/150 | 0-380/440 | 55 | ||
| RVE35-T3-75G | 150/170 | 0-380/440 | 75 | ||
| RVE35-T3-90G | 170/210 | 0-380/440 | 90 | 845*305*358 | |
| RVE35-T3-110G | 210A/250 | 0-380/440 | 110 | ||
| RVE35-T3-132G | 250A/300 | 0-380/440 | 132 | ||
| RVE35-T3-160G | 300A/340 | 0-380/440 | 160 | 788*500*360 | |
| RVE35-T3-185G | 340/380 | 0-380/440 | 185 | ||
| RVE35-T3-200G | 380/415 | 0-380/440 | 200 | 900*540*358 | |
| RVE35-T3-220G | 415/470 | 0-380/440 | 220 | ||
| RVE35-T3-250G | 470/520 | 0-380/440 | 250 | ||
| RVE35-T3-280G | 520/600 | 0-380/440 | 280 | 1035*620*400 | |
| RVE35-T3-315G | 600/680 | 0-380/440 | 315 | ||
| RVE35-T3-355G | 680/750 | 0-380/440 | 355 | 1290*780*410 | |
| RVE35-T3-400G | 750/810 | 0-380/440 | 400 |
Mahusay na pagganap
| | Ang kontrol ng high-performance vector upang mapabuti ang kawastuhan ng kagamitan |
| Ang maximum na dalas ng output sa ilalim ng control ng vector ay umabot sa 1500 Hz, na maaaring makamit ang output ng bilis ng mataas na katumpakan sa loob ng 1O-tiklop na mahina na saklaw ng regulasyon ng bilis ng magnetic. | |
| | |
| | Perpektong drive para sa magkasabay na motor |
| Ang kasalukuyang alon ng magkasabay na motor sa mode na control ng open-loop vector sa 500 Hz na may 100% na na-rate na pag-load. | |
| | |
| | Maaasahang disenyo ng dissipation ng init |
| Ang independiyenteng dobleng teknolohiya ng disenyo ng air duct ay maaaring mapagtanto ang paggamit ng solar pump drive na may 50 ℃ temperatura ng singsing nang walang pagbabawas ng kapasidad. |
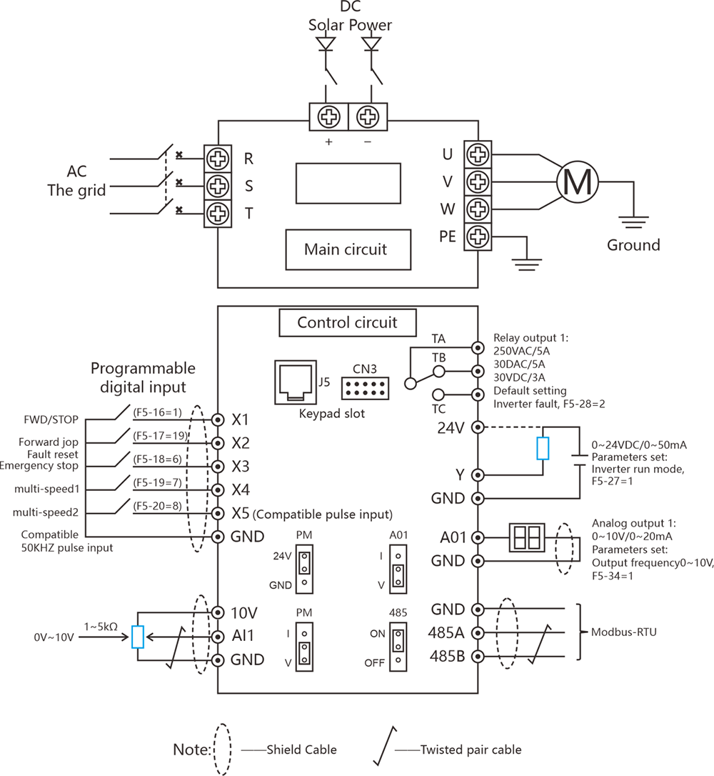
Diagram ng mga kable
Para sa RVE35 0.75KW-7.5KW mga produkto, mangyaring tandaan ang sumusunod:
1. Ang produkto ay hindi naglalaman ng mga terminal ng pag -input ng x6 at x7;
2. Ang produkto ay nagsasama lamang ng 1 analog input, 1 analog output, at 1 relay output











































